
COPPIE CONICHE - SERIE (S-TORQUE) - NYLON ALIMENTARE

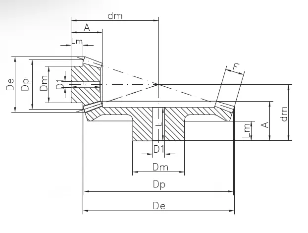
Coppie coniche denti diritti ad assi normali con mozzo laterale e angolo di pressione 20°
Resina acetalica, colore: bianco (POM-C).
• Buona stabilità dimensionale
• Bassa igroscopicità (Basso assorbimento d’acqua e quindi buona
stabilità dimensionale anche in ambienti umidi)
• Buone proprietà di scorrimento e resistenza all’usura
• Fisiologicamente inerte (idoneo al contatto con alimenti)
• Buona resistenza ad una vasta gamma di sostanze chimiche,
compresi molti solventi
• Adatto ad elevati regimi di rotazione (Rpm).
Stampaggio ad iniezione, foro alesato con tolleranza H10.