Salta al contenuto principale
Assistenza diretta
Coppie coniche – Resina Acetalica (POM-C)(S-Speed) – Rapporto 1:2
COPPIE CONICHE

Coppie coniche – Resina Acetalica (POM-C)(S-Speed) – Rapporto 1:2

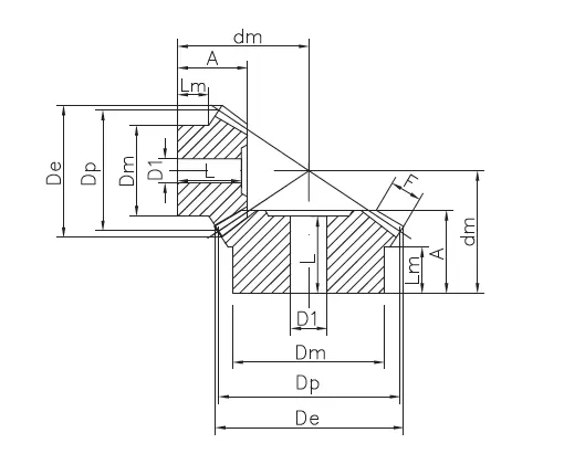
Coppie coniche denti diritti ad assi normali con mozzo laterale e angolo di pressione 20°

a partire da 2,73  iva esclusa
*Prezzo più basso degli ultimi 30 giorni

Resina acetalica, colore: bianco (POM-C).

• Buona stabilità dimensionale

• Bassa igroscopicità (Basso assorbimento d’acqua e quindi buona

stabilità dimensionale anche in ambienti umidi)

• Buone proprietà di scorrimento e resistenza all’usura

• Fisiologicamente inerte (idoneo al contatto con alimenti)

• Buona resistenza ad una vasta gamma di sostanze chimiche,

compresi molti solventi

• Adatto ad elevati regimi di rotazione (Rpm).

Stampaggio ad iniezione, foro alesato con tolleranza H10.