
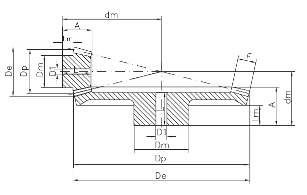
Coppie coniche – Polichetone (PK)(S-Shock) – Rapporto 1:4
Coppie coniche denti diritti ad assi normali con mozzo laterale e angolo di pressione 20°
Polichetone (PK); colore: naturale
• Elevata resistenza chimica (10 volte il PA11 e PA12)
• Elevato effetto barriera ai fluidi motore
• Resistenza all’idrolisi
• Basso assorbimento d’umidità
• Resistente a temperature maggiori rispetto al POM e PBT
• Elevata tenacità e resistenza all’impatto (2,5 volte maggiore del POM)
• Ottima stabilità dimensionale
• Buone proprietà di scorrimento e resistenza all’usura
Rispetto alla serie in POM-C, la serie in polichetone presenta una
maggiore resistenza chimica e all’impatto e grazie ad un’ottima finitura
superficiale riduce il cigolio che si verifica quando la resina acetalica
ruota a contatto con un altro tipo di polimero.
Stampaggio ad iniezione, foro alesato con tolleranza H10.
