
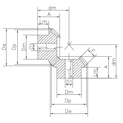
COPPIE CONICHE - SERIE (S-TORQUE) - NYLON ALIMENTARE

Ruote dentate coniche denti diritti ad assi normali con mozzo laterale eangolo di pressione 20°
Tecnopolimero a base poliammidica (PA6) rinforzato con fibra vetro,
idoneo al contatto con alimenti, colore: blu.
Il tecnopolimero e il master utilizzato per la produzione di questi
ingranaggi sono idonei e certificati per un utilizzo che prevede il
contatto con alimenti.
Stampaggio ad iniezione, foro grezzo.