PULEGGE - CON INSERTO IN ALLUMINIO - HTD

PULEGGE
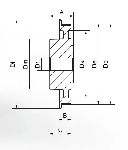
Pulegge – Per cinghie dentate – T – Nylon 10mm-larghezza cinghia 16mm
Pulegge per cinghie dentate
a partire da 7,75 € iva esclusa
*Prezzo più basso degli ultimi 30 giorni
Tecnopolimero rinforzato con fibra vetro, colore: grigio/nero.
Stampaggio ad iniezione, foro grezzo.
