PULEGGE - PER CINGHIE DENTATE - HTD

PER CINGHIE DENTATE - HTD
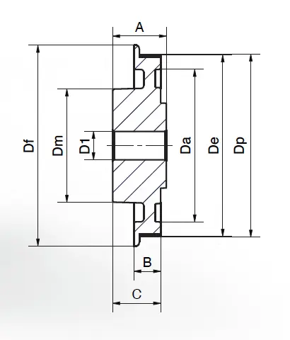
Pulegge – Per cinghie dentate – HTD – Nylon 15 passo 8mm
Pulegge per cinghie dentate
a partire da 9,64 € iva esclusa
*Prezzo più basso degli ultimi 30 giorni
Tecnopolimero rinforzato con fibra vetro, colore: grigio/nero.
Stampaggio ad iniezione, foro grezzo.
