
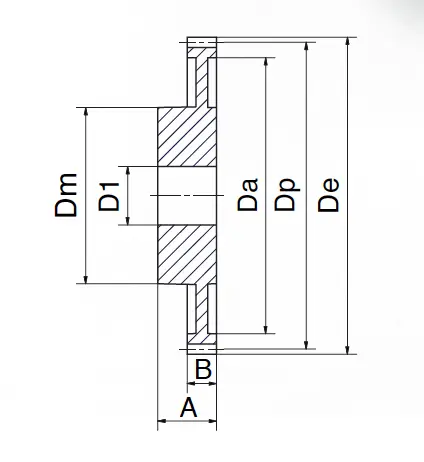
Ingranaggi Cilindrici – Nylon (S-Torque) – Modulo 1,5
Ingranaggi cilindrici a denti dritti in PA6 caricato fibra vetro colore grigio
Tecnopolimero a base poliammidica (PA6) rinforzato con fibra vetro,
colore: grigio.
Rispetto alla serie normale, la riduzione della fascia dente, a parità di
modulo, consente un’ulteriore diminuizione della massa favorendone
la leggerezza.
La coppia massima trasmissibile riportata in tabella è stata
ottenuta tramite una metodologia (di proprietà Stagnoli)
che nasce dallla congiunzione di calcoli teorici e dati
sperimentali ottenuti tramite test a fatica sugli ingranaggi.
Va considerato che, per applicazioni con velocità inferiori ai
100 Rpm, carichi statici, o bassi fattori d’uso , la coppia ammissibile
potrebbe aumentare anche del 50% rispetto ai valori riportati in tabella.
Stampaggio ad iniezione, foro grezzo.
