COPPIE CONICHE - SERIE (S-TORQUE) - NYLON

SERIE (S-TORQUE) - NYLON
Coppie coniche – Nylon (S-Torque) – Rapporto 1:3
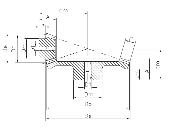
Coppie coniche denti diritti ad assi normali con mozzo laterale e angolo di pressione 20°
a partire da 9,32 € iva esclusa
*Prezzo più basso degli ultimi 30 giorni
Tecnopolimero a base poliammidica (PA6) rinforzato con fibra vetro, adatto al contatto con alimenti e conforme alle normative UE e FDA.
colore: grigio.
Stampaggio ad iniezione, foro grezzo .
